黃銅法蘭過濾(lü)器

公(gong)稱壓力:1.6MPa

工作介(jie)質:水

工作溫度(dù):-20℃≤t≤120℃  



産品詳情

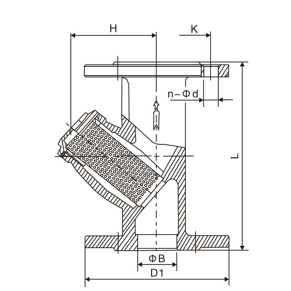
黃銅法蘭過濾(lü)器(圖1)


主要外形(xíng)尺寸

DN(mm)

NPS(in)

L

H

K

D1

n-Φd

3

305

96

160

200

8-18

4

314

220

180

220

8-18

125

5

398

235

210

245

8-18

150

6

470

250

240

280

8-22

200

8

543

330

295

338

11-30


産品推薦(jiàn)